Sea Dog Marine - Galvanized Quick Link 2-15/16" (158008-1)

Sea Dog Marine
UPC:
035514158404
$2.88
$3.75
(You save $0.87 )
Current Stock:
Adding to cart… The item has been added

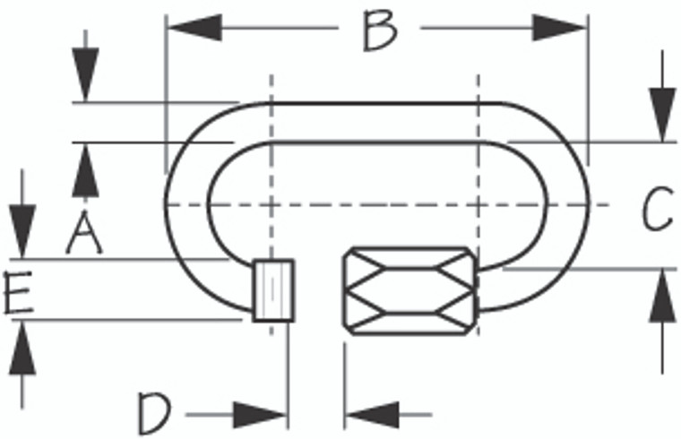
Electro-Galvanized Formed Mild Steel

Reusable and removable Quick Links feature two-sided thread links designed for fast, easy connections between two lengths of chain or for attaching accessories to chain. Hex shaped bolt for easy opening. Ideal for chain repair, hammocks, and restraining gates. Constructed of electro-galvanized formed mild steel for both galvanic and corrosion protection.


This product replaces:

    3-158008, 158008, 158008-1